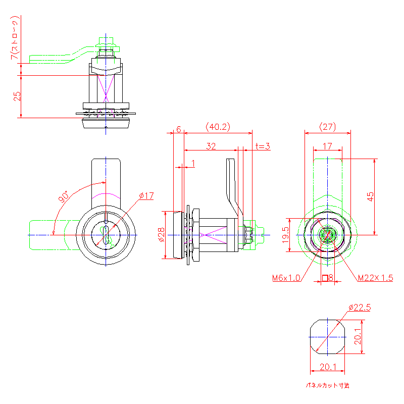
PH-284
防水リフトターンキーロット


PH-284-D梱包時
※予告なく変更する場合があります。
※2025年10月時点の価格です。2025年10月価格表(冊子)と価格が違う場合は、冊子の価格に準じます。
| 材質 | 亜鉛ダイカスト(ZDC) |
|---|---|
| 仕上げ | クロームメッキ |
| 使用例 | 配電盤扉、分電盤扉、制御盤扉等 |
| 操作説明 | 【解錠方法】 120°回転させると止金が7mmリフトし、さらに90°回転させると止金が90°回転し、解錠します。 |
| 補足説明 | 付属:専用止金1個 互換:PH-58など パネルカット互換表はこちら |
商品特徴
-
・Oリング、防水パッキンを備えた防水タイプです。
・止金を付けたままパネルカットにはめて、取り付けできます。
・マイナスドライバー等で解錠します。
・防水規格:IPX5相当






お問い合わせ